FKN12A-12壓氣負荷開關適用于12KV及以下三相配電系統中,作為變壓器、電纜、架空線路等電力設備的控制和保護之用:特別適用于域網、農網的終端變電站及箱式變電站。
概述
FKN12A-12D壓氣式負荷開關,FKRN12A-12D系列壓氣式負荷開關-熔斷器組合電棍,適用于12KV及以下三相配電系統中,作為變壓器、電纜、架空線路等電力設備的控制和保護之用:特別適用于域網、農網的終端變電站及箱式變電站。并適用于環網、雙輻射供電單元的控制和保護。
FKN12A-12D系列E氣式負荷開關可以分合負載電流和過載電流。
FKRN12A-12D系列莊氣式負荷開關-熔斷帶組合電器可以分合負載電流"過載電流,開斷線路短路電流。
型號含義

使用環境條件
周圍空氣溫度上限:+40℃下限-25℃
海撥高度不超過100Om;
相對濕度日平均值不大于95%,月平均值不大于90%。
地震烈度不超過8度;
無火災、爆炸危險,化學腐蝕及劇烈振動的場所;
污穢等級: II
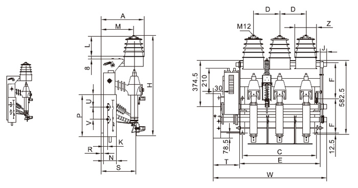
結構特點
高壓負荷開關、接地開關、熔斷器及機構在一個框架上,可靈活組合,結構緊湊,體積小,安裝方便簡易;
斷口為直劫式布置,動、熱穩定電流參數寓,一次性完成操作;
具有靜觸頭絕緣罩,使環網柜在結構上實現了隔離,省去了相間絕緣隔板,斷口絕緣插板,可防止柜內弧光短路事故;
具有特有的活門結構,負荷開關分閘后,活門自動將斷口隔離,防護性能好;
負荷開關與接地開關、熔斷器之間有可靠的機械閉鎖裝置,滿足“五防”要求;
具有手動操作及交直流兩用操作電源的電動操作兩種形式,便于實現電力系統:“三遙”要求。
主要技術參數


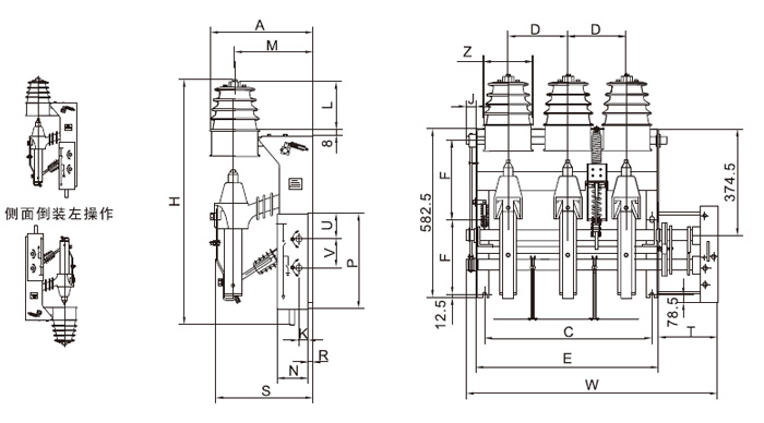
FKN12A-12D側裝右操作

側面倒裝右操作


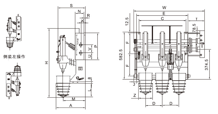
FKRN12A-12D側裝右操作、側面倒裝左操作

側面倒裝右操作、側裝左操作


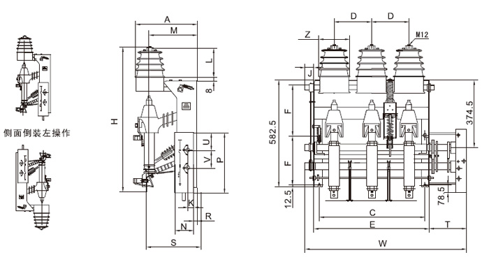
FKN12A-12D、FKRN12A-12D電動機構側裝右操作

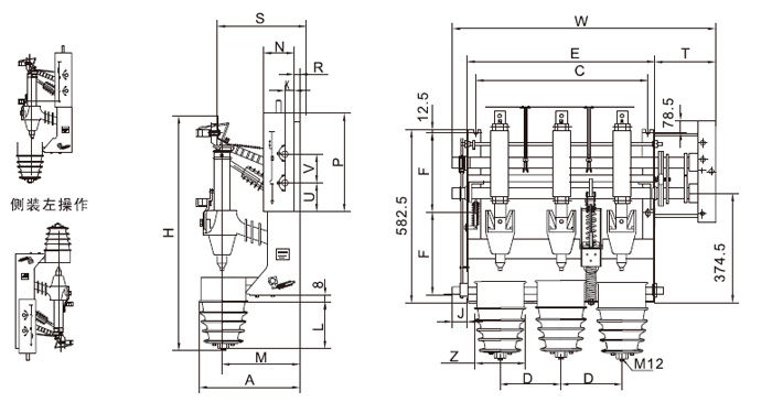
FKN12A-12D、FKRN12A-12D電動機構側裝左操作

